当前文档版本为 v0.1.0,您可以访问当前页面的 开发中 版本以获取最近可能的更新。

PAN271x EVB 硬件资源介绍

1 概述

本文为 PAN271x Evaluation Board (EVB) 开发板介绍,包括相关板级硬件模块、各模块在 EVB 板上的位置、以及对应电路原理图,旨在帮助开发者快速了解 PAN271x EVB 开发板。

PAN271x EVB 开发板由核心板和底板两大模块组成,其中:

  • 核心板提供了 PAN271x SoC 的最小系统,主要包含 PAN271x SoC 芯片、32MHz 高速晶振、32768Hz 低速晶振、复位按钮、板载天线以及一些必要的无源器件

    PAN271x QFN28 (v1.0) 核心板还搭载了一个 MIC 电路(支持单端和差分)。

  • 底板上提供了 PAN271x SoC 支持的外设模块,其中包含电源管理系统、USB-TypeC 转串口模块、红外模块、LED 灯、独立按键、SWD 烧录口等

image

PAN271x EVB V1.0 实物图(核心版 + 底板)

2 核心板硬件资源

PAN271x 核心板由芯片最小系统、MIC 电路和转接板组成,核心板以模块的形式嵌入 EVB 底板。

目前 EVB 核心板仅有 PAN2710U5GA(QFN28)这一种 SoC 型号,此型号为预生产版本,其程序存储器为 16KB SRAM 模拟的 OTP,可多次烧录以方便前期调试。

image

PAN2710U5GA 核心板原理图

image

PAN2710U5GA 核心板三维图

  1. 注意 PAN2710U5GA V1.0 核心板 P12/P13/P14 三个引脚的丝印有误,实际丝印请以上述图片为准。

  2. 关于芯片最小系统的硬件设计建议,请参考 PAN271x 硬件参考设计指南 文档中的相关介绍。

3 底板硬件资源

PAN271x EVB 底板由一系列外设器件组成,包含电源管理系统、USB-TypeC转串口模块、红外模块、LED 灯、独立按键、SWD 烧录口等。

image

PAN271x EVB 底板三维图

3.1 电源模块

PAN271x EVB 可选择使用以下两种供电方式之一:

  • 5V USB 供电(推荐

  • 3.3V JLink 供电

EVB 底板电源模块原理图如下:

image

电源模块原理图

EVB 底板下侧有两个 USB-TypeC 接口 U1U4,它们的电源引脚均与 EVB 的 5V 电源网络连在一起。

二者区别是:

  • U1为 USB 转 UART 模块的 USB 端接口,使用跳线帽将此模块与 PAN271x UART 引脚相连,即可实现 PAN271x 与 PC 进行串口通信功能

  • U4为普通 USB 接口,使用跳线帽将此接口 PAN271x USB 对应引脚相连,即可使用 PAN271x 的 USB 功能

:在实际使用过程中,选用任意一个 USB 接口供电均可,但需注意电源总开关 SW1 应处于闭合状态。

一种典型的供电方法如下图所示:

image

典型供电方式示意图

  1. 使用 USB-TypeC 线连接 EVB 底板的 U1(USB 转串口模块)接口与 PC 端 USB 接口

  2. 使用跳线帽短接 J15 排针对

  3. 使用跳线帽分别短接 J8 排针对和 J9 排针对,用于 USB 转串口模块通信

  4. 闭合电源总开关 SW1

这样,USB 5V 电源即可通过板载 LDO U3 转换为 3.3V 电压后,再通过 J15 排针通路输出到 EVB 核心板的 VBAT 电源引脚,为 PAN271x SoC 供电。

提示

PAN271x SoC 的某些封装型号(如 MSOP10 封装的 PAN2710M5BA),有一个名为 VUSB 的引脚,此引脚可以直接输入 USB 5V 电压,通过芯片内部的 LDO 将其转换为 3.3V 后,再提供给芯片供电,这样在 USB 应用中可以省掉一个外部 LDO 器件。

3.2 SWD 调试接口

EVB 底板提供了单排针接口用于连接 JLink 实现 SWD 调试和程序下载功能,该排针接口位于左下方:

image

JLink 接线示意图

  1. 将 JLink 下载器插到 SWD 接口 J5

  2. 此时供电方式可参考上文电源模块介绍中的典型 USB 供电方式,也可直接使用 JLink 的 3.3V 电源给 EVB 板供电

3.3 USB 转串口模块

PAN271x SoC 的某些引脚可通过软件配置成 UART 串口功能,此时可通过 USB 转 UART 芯片 CH343(U2)转为 USB 接口与 PC 通信。

image

USB 转 UART 模块原理图

USB 转 UART 模块使用 U1 USB-TypeC 接口,并且使用跳线帽分别短接 J8 排针对 (SoC_P06 & USB-UART_TXD) 和 J9 排针对 (SoC_P05 & USB-UART_RXD),如下图所示:

image

USB 转 UART 模块实物接线图

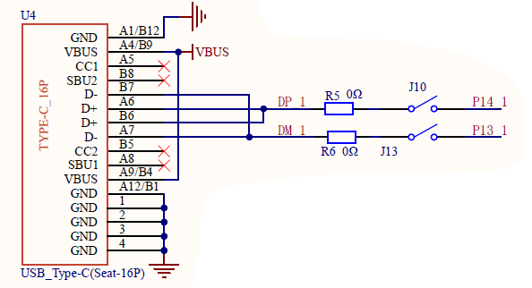
3.4 USB 模块

开发板提供一个 USB-TypeC 接口(U4),其可通过跳线连接到 PAN271x SoC 的 USB 引脚。

image

USB 模块外围电路原理图

为使用此模块功能,需要将跳线帽分别短接 J10 排针对 (SoC_P14 & USB-DP) 和 J13 排针对 (SoC_P13 & USB-DM),如下图所示:

image

USB 模块外围电路实物图

3.5 独立按键

EVB 底板配备了 2 个独立按键,其中一个为普通 GPIO 按键,另一个为复位按键:

  • 按键 K1 直接连接至 SoC 的 P07 引脚,可当做普通按键使用

  • 按键 K2 直接连接至 SoC 的 P03 引脚,此引脚上电默认为芯片 Reset 引脚,可通过软件将其配置为 GPIO P03 功能

image

独立按键原理图

image

独立按键实物图

3.6 LED 灯

EVB 底板配备了 2 个 LED 灯,其中一个为 5V 供电指示灯,另一个为普通 IO 控制指示灯:

image

LED 灯模块原理图

为使用 IO 控制指示灯 D2,需要使用跳线帽短接 J17 排针对:

image

LED 灯模块实物图

3.7 红外模块

EVB 底板搭载了一个红外收发模块,包括一个发射电路和一个接收电路:

image

红外模块原理图

image

红外模块实物接线图