PAN3730 EVB 介绍与硬件参考设计¶
1 概述¶
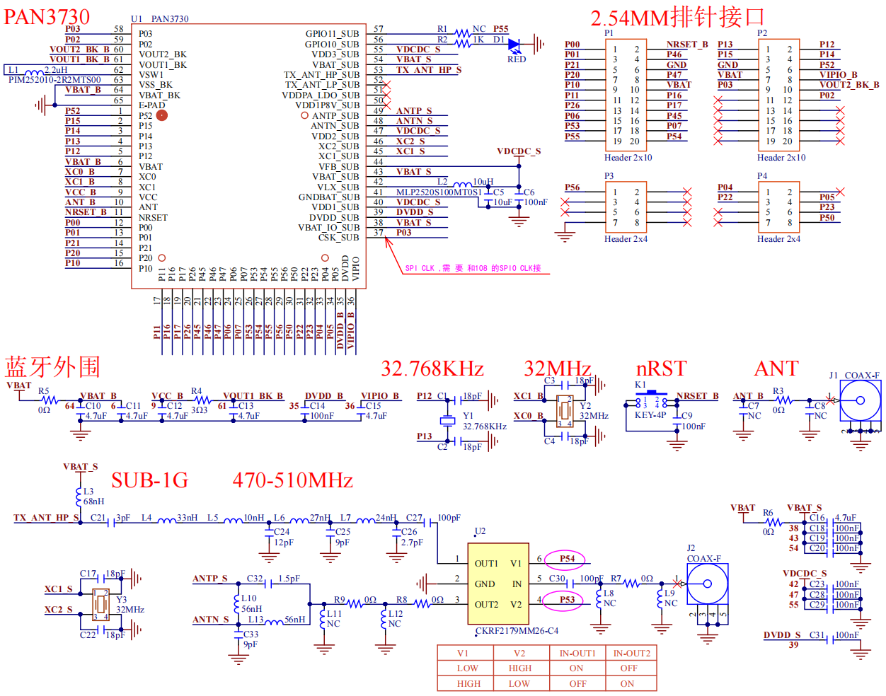
本文档主要介绍基于 PAN3730 芯片方案的硬件原理图设计、PCB 设计建议。本文档提供 PAN3730 芯片外围电路的硬件设计方法。
注意:单独使用模块时应使用跳线帽将VBAT与VIPIO2短接。
2 原理图设计¶
2.2 电源¶
VBAT 为芯片电源脚,要求瞬时供电能力不小于200mA,供电范围为1.8V–3.6V ;
DVDD、VCC、VBAT、VBAT_BK、VOUT1_BK、VIPIO 至少预留1个电容,尽可能靠近芯片引脚;
VBAT_IO_SUB、DVDD_SUB、VDD1_SUB、VLX、VFB_SUB、VDD2、VBAT_SUB、VDD3_SUB 至少预留1个电容,尽可能靠近芯片引脚;
VDD1P8V_SBU、VDDPA_LDO_SUB不需要外部电路,悬空即可。
2.2.1 DC-DC¶
BLE DC-DC 外围电路
外围电路组成为:L1、C13;
要求L1指定型号: PIM252010-2R2MTS00。
Sub-1G DC-DC 外围电路
外围电路组成为:L2、C5、C6;
要求L1指定型号:MLP2520S100MT0S1。
2.2.3 VCC¶
VCC为RF BLE供电引脚,外部需要接一级RC滤波器并尽量靠近该引脚。R4为3.3Ω、C12为4.7uF,截止频率约为:10KHz。
2.3 晶振¶
2.3.1 32K晶振¶
为提供稳定的外部32KHz时钟,由Y1,C1,C2构成。此部分可以省略,由内部RC代替。
2.3.2 32M晶振¶
为MCU和BLE提供稳定的外部32MHz时钟,由Y2,C3,C4构成,其中晶振Y1指定型号为:X322532MOB4SI, C3,C4 = 18pF,此搭配的射频频率较为准确,为±10KHz左右。
为Sub-1G提供稳定的外部32MHz时钟,由Y3,C17,C22构成,其中晶振Y1指定型号为:X322532MOB4SI, C17,C22 = 18pF,此搭配的射频频率较为准确,为±10KHz左右。
2.4 复位电路 & 按键¶
复位引脚可以悬空,或增加外部按键。在按键应用中建议搭配电容使用,容值为100nF。加电容的作用是在系统受到强干扰时,稳定复位脚的电平状态。
注意:该引脚内部有一个50KΩ左右的上拉电阻,低电平会使复位生效。

按键复位电路¶
2.5 天线匹配¶
在BLE应用中,由于芯片内部已做射频前端匹配电路,所以此处预留射频前端匹配网络电路,其中C7、C8、R3预留元件位置,C7、C8为预留电容默认不焊接,R3为0Ω电阻。若因PCB设计不合理导致射频前端失配,那么可以通过C7、C8、R3组成匹配网络进行阻抗调整;

天线匹配电路¶
在Sub-1G应用中:
L3、C4、L4、C5、L5、C6 为安规滤波匹配,如果不考虑安规可以去掉;
匹配元器件值需要根据 TR Switch 和 Layout 的不同微调;
电感 L1 推荐使用直流内阻小于 2 欧姆、额定电流大于 150mA 的器件。

Sub-1G TX匹配参数¶
RX匹配元器件值需要根据 TR Switch 和 Layout 的不同微调;

Sub-1G RX匹配参数¶

Sub-1G RF匹配电路¶
2.6 Sub-1G PA & RF收到信号指示¶
TX_ANT_LP为发射端低功率PA输出、TX_ANT_HP为发射端低功率PA输出;
预留GPIO10为外置 PA 使能控制信号,为便于指示状态、显示效果,板载一颗单色LED灯 D1,以供用户使用。
预留GPIO11为Sub-1G RF收到信号指示,高电平代表RF收到数据。
2.7 2.54mm连接器¶
为便于用户二次开发,该模块将所有GPIO全部引出,并兼容PAN108X_EVB底板。
3 PCB设计建议¶
3.1 制板工艺¶
本文主要针对四层板并且单面贴设计,叠层如下图所示。 PCB厚度需根据实际情况和阻抗要求适当调整。

制板工艺说明¶
*线宽推荐如下:
板材属性 |
参数 |
---|---|
PCB板材 |
FR-4 |
PCB板厚 |
1.6mm |
50欧姆RF线宽 |
20mil |
接地铺铜与RF走线间距 |
5mil |
3.5 射频走线注意事项¶
射频匹配链路按照50Ω走线,可以参考TOP和BOTTOM层的GND平面,RF线与焊盘宽度一致,天线的π型匹配电路要靠近芯片ANT引脚,尽可能走线平滑,并联元件焊盘和走线重合为佳,阻抗无突变,如标签1。
RF线有完整的参考地,从IC端出来就进行包地处理,两边均匀的打GND过孔,底层到芯片底部地平面尽量宽,如标签1;
芯片底部多打过孔,QFN封装则打在E-PAD上,如标签2;
晶振要远离天线和天线匹配链路、要靠近芯片引脚放置,晶振走线和其他走线垂直布线,减少晶振对RF的干扰,晶振底部铺铜挖空,周围包地,以降低对电源和RF的干扰,如标签3;
天线辐射区域尽量保证没有金属器件。
射频链路走线参考如下:

TOP层 射频链路走线示意图¶
天线匹配链路中间2层(内层)不走线,天保证线地回路到芯片最短。天线匹配链路的地和芯片EPAD 是一块完整平滑的地。如标签2,橙色方框;
芯片底层不要走线;
射频地线走线如下:

BOTTOM层 射频地线走线示意图¶
4 匹配电路¶
注意:为保证射频性能最佳,建议由我司工程师进行样板射频参数校调!
5 BOM¶
单板BOM参考下表
品种 |
参数 |
型号 |
品牌 |
位号 |
封装 |
数量 |
---|---|---|---|---|---|---|
贴片电容 |
10uF |
0603X106M6R3NT |
广东风华高新科技股份有限公司 |
C5 |
0603 |
1 |
贴片电容 |
4.7uF |
0402X475M6R3NT |
广东风华高新科技股份有限公司 |
C10,C11, C12,C13, C15,C16 |
0402 |
6 |
贴片电容 |
100nF |
0402B104K160NT |
广东风华高新科技股份有限公司 |
C9,C14, C18,C19, C20,C23, C28,C29, C31 |
0201 |
9 |
贴片电容 |
100pF |
0201CG101J500NT |
广东风华高新科技股份有限公司 |
C6,C27, C30 |
0201 |
3 |
贴片电容 |
18pF |
0402CG180J500NT |
广东风华高新科技股份有限公司 |
C1,C2, C3,C4, C17,C22 |
0201 |
6 |
贴片电容 |
12pF |
0201CG120J500NT |
广东风华高新科技股份有限公司 |
C24 |
0201 |
1 |
贴片电容 |
9pF |
0201CG9R0D500NT |
广东风华高新科技股份有限公司 |
C25 |
0201 |
1 |
贴片电容 |
3pF |
0201CG3R0C250NT |
广东风华高新科技股份有限公司 |
C21, C33 |
0201 |
2 |
贴片电容 |
2.7pF |
0201CG2R7C500NT |
广东风华高新科技股份有限公司 |
C26 |
0201 |
1 |
贴片电容 |
1.5pF |
0201CG1R5B500NT |
广东风华高新科技股份有限公司 |
C32 |
0201 |
1 |
贴片电容 |
NC |
\ |
\ |
C7, C8 |
0201 |
2 |
贴片二极管 |
红灯 |
SZYY0603R |
深圳市永裕光电有限公司 |
D1 |
0201 |
1 |
贴片按键 |
4P-4.2mm x 3.25mm |
K2-1808SN-A4SW-01 |
东莞市韩荣电子有限公司 |
K1 |
SW-SMD(4.2x3.25x2.5) |
1 |
贴片电感 |
10nH 5% |
VHF060303HQ10NJT |
广东风华高新科技股份有限公司 |
L5 |
0201 |
1 |
贴片电感 |
22nH 5% |
VHF060303H22NJT |
广东风华高新科技股份有限公司 |
L7 |
0201 |
1 |
贴片电感 |
27nH 5% |
VHF060303H27NJT |
广东风华高新科技股份有限公司 |
L6 |
0201 |
1 |
贴片电感 |
33nH 5% |
VHF060303H33NJT |
广东风华高新科技股份有限公司 |
L4 |
0201 |
1 |
贴片电感 |
56nH 5% |
VHF060303H56NJT |
广东风华高新科技股份有限公司 |
L10, L13 |
0201 |
2 |
贴片电感 |
68nH 5% |
VHF060303H68NJT |
广东风华高新科技股份有限公司 |
L3 |
0201 |
1 |
贴片电感 |
NC |
\ |
\ |
L8, L9, L11, L12 |
0201 |
4 |
贴片电感 |
10uH |
MLP2520S100MT0S1 |
TDK |
L2 |
SMD 2520 1.0mm |
1 |
贴片电感 |
2.2uH |
PIM252010 -2R2MTS00 |
广东风华高新科技股份有限公司 |
L1 |
SMD 2520 1.0mm |
1 |
同轴连接器 |
插板 3Pin SMA |
KH-SMA-KE-Z |
深圳市金航标电子有限公司 |
J1, J2 |
SMA-180 |
2 |
直插连接器 |
Header 2x4,2.54mm |
PH-00530 |
深圳市连盛精密连接器有限公司 |
P3, P4 |
Header 2x4 |
2 |
直插连接器 |
Header 2x10,2.54mm |
PZ254V-12-20P |
XFCN(台湾兴飞) |
P1, P2 |
Header 2x10 |
2 |
贴片电阻 |
0Ω 1% |
RC-02000FT |
广东风华高新科技股份有限公司 |
R3,R5, R6,R7, R8,R9 |
0201 |
6 |
贴片电阻 |
3.3Ω 1% |
RC-02U3R30FT |
广东风华高新科技股份有限公司 |
R4 |
0201 |
1 |
贴片电阻 |
1KΩ 1% |
RC-02W1001FT |
广东风华高新科技股份有限 |
R2 |
0201 |
1 |
贴片电阻 |
NC |
\ |
\ |
R1 |
0201 |
1 |
贴片晶振 |
32MHz 10ppm 12pF |
X322532MOB4SI |
深圳扬兴科技有限公司 |
Y2,Y3 |
SMD 3225 4P |
1 |
贴片晶振 |
32.768KHz 12.5pF |
X321532768 KGD2SI |
深圳扬兴科技有限公司 |
Y1 |
SMD 3215 2P |
2 |
贴片IC |
SPDT Switch |
CKRF2179MM26-C4 |
CDK |
U2 |
SOT 363 |
1 |
贴片IC |
2.4G& BLE& Sub-1G SOC |
PAN3730 |
上海磐启微电子有限公司 |
U1 |
QFN32 5x5mm |
1 |